


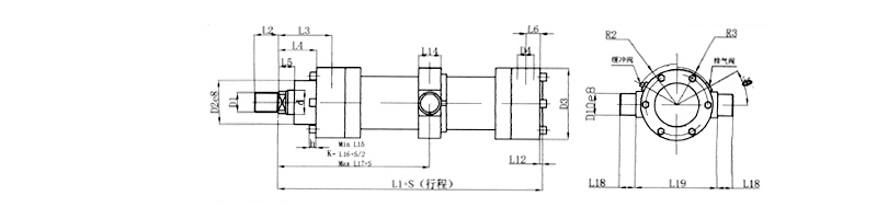
代號\缸徑(mm) |
40 |
50 |
63 |
80 |
100 |
125 |
140 |
160 |
180 |
200 |
220 |
250 |
280 |
320 |
360 |
400 |
d |
22/ 28 |
28/ 36 |
36/ 45 |
45/ 56 |
56/ 70 |
70/ 90 |
90/ 100 |
100/ 110 |
110/ 125 |
125/ 140 |
140/ 160 |
160/ 180 |
180/ 200 |
200/ 220 |
220/ 250 |
250/ 280 |
Smin |
20 |
20 |
20 |
30 |
30 |
30 |
30 |
30 |
30 |
30 |
50 |
80 |
120 |
150 |
180 |
200 |
D10 |
30 |
30 |
35 |
40 |
50 |
60 |
65 |
75 |
85 |
90 |
100 |
110 |
130 |
160 |
180 |
200 |
L1 |
226 |
234 |
262 |
275 |
325 |
382 |
420 |
475 |
515 |
540 |
635 |
659 |
744 |
815 |
890 |
980 |
L6 |
32 |
32 |
27.5 |
37.5 |
32.5 |
37.5 |
42.5 |
50 |
50 |
50 |
75 |
75 |
100 |
110 |
120 |
140 |
L12 |
5 |
5 |
5 |
5 |
5 |
5 |
5 |
10 |
10 |
10 |
10 |
10 |
10 |
10 |
10 |
10 |
L14 |
35 |
35 |
40 |
45 |
55 |
65 |
70 |
80 |
95 |
100 |
110 |
125 |
145 |
175 |
200 |
220 |
L15 |
135 |
140 |
160 |
160 |
205 |
235 |
255 |
285 |
315 |
325 |
390 |
420 |
480 |
540 |
595 |
655 |
L16 |
134 |
139 |
162 |
162.5 |
202.5 |
237 |
260 |
292.5 |
317.5 |
332.5 |
390 |
407 |
452 |
500 |
545 |
600 |
L17 |
125 |
130 |
150 |
150 |
185 |
220 |
250 |
280 |
290 |
315 |
360 |
360 |
390 |
420 |
450 |
495 |
L18 |
20 |
20 |
20 |
25 |
30 |
40 |
42.5 |
52.5 |
55 |
55 |
60 |
65 |
70 |
90 |
100 |
110 |
L19 |
95 |
115 |
130 |
145 |
175 |
210 |
230 |
275 |
300 |
320 |
370 |
410 |
450 |
510 |
560 |
630 |